PIC to PIC communication will be needed in some embedded applications. We have two options to transmit data through transmission lines.
Parallel Transmission
In parallel communication an entire byte of data is transmitted at a time. That is each bit has dedicated line. Thus for 8-bit data transfer we need 8 dedicated lines as shown above.
Serial Transmission
In Serial Transmission only one bit of a byte is transmitted at a time. There is only one communication line, thorough which bits are transmitted sequentially.
Data can be transmitted using Parallel or Serial techniques, as the pros and cons of two methods are equal and the selection depends on application. Parallel Transmission is very fast compared to serial transmission, as it transmits a byte at a time. Serial Transmission is cost effective as compared to Parallel Transmission as it requires only one line for transmission.
Transmission Systems are also classified into 2 on the basis of transmission synchronization.
Need for Synchronization
When an electronic device transmits data to other there must be certain synchronization between them, ie the receiving device must have a way to know the beginning and end of each unit (byte) of data.
Synchronous Transmission
Synchronous Transmission are synchronised using a clock line, ie the communications are time synchronised. An external clock line is also used along with data line to synchronize transmission and reception ends.
Asynchronous Transmission
There is no separate clock line in this system. Transmitter and Receiver works on separate clocks. Start and Stop bits are also send along with data to identify start and end of a byte.
We can transmit data in three ways.
Simplex
In Simplex Transmission, data is transmitted only in one direction.
Half Duplex
In Half Duplex Transmission, data can be transmitted in both directions but to one side at a time.
Full Duplex
In Full Duplex Transmission data can be transmitted simultaneously in two directions.
USART – Universal Synchronous Asynchronous Receiver Transmitter
USART is the most commonly used serial I/O module. It is also known as Serial Communications Interface (SCI). USART can be easily configured as a full-duplex asynchronous communication system that can communicate with peripheral devices, such as personal computers and CRT terminals, or it can be configured as a half-duplex synchronous communication system that can communicate with peripheral devices, such as serial EEPROMs, A/D or D/A integrated circuits, etc. USART can be configured in the following modes.
We don’t want to bother about configuring registers as MikroC Pro for PIC Microcontrollers have built-in library function to handle asynchronous communication.
Registers of USART
To use the USART of PIC 16F877A Microcontroller, the following registers must be configured. But when using MikroC we don’t want to bother about it.
TXSTA : TRANSMIT STATUS AND CONTROL REGISTER
CSRC : Clock Source Select
Asynchronous Mode
Don’t care.
Synchronous Mode
1 – Master Mode (clock generated internally)
0 – Slave Mode (clock from external source)
TX9 : 9-bit Transmit Enable
1 – 9-bit transmission
0 – 8-bit transmission
TXEN : Transmit Enable
1 – Transmit Enabled
0 – Transmit Disabled
SREN/CREN (in RCSTA register) overrides TXEN in Sync mode.
SYNC : USART Mode Select
1 – Synchronous Mode
0 – Asynchronous Mode
BRGH : High Baud Rate Select
Asynchronous Mode
1 – High speed
0 – Low speed
Synchronous Mode
Not Used
TRMT : Transmit Shift Register Status
1 – Transmit Status Register empty
0 – TSR full
TX9D : 9th bit of Transmit Data or Parity bit
RCSTA : RECEIVE STATUS AND CONTROL REGISTER
SPEN : Serial Port Enable
1 – Serial port is enabled
0 – Serial port is disabled
RX9 : 9-bit Receive Enable
1 – Sets 9-bit reception
0 – Sets 8-bit reception
SREN : Single Receive Enable
Asynchronous Mode
Not Used.
Synchronous Master Mode
1 – Enables single receive
0 – Disables single receive
This bit will be cleared after reception.
Synchronous Slave Mode
Not Used.
CREN : Continuous Receive Enable
Asynchronous Mode
1 – Enables continuous receive
0 – Disables continuous receive
Synchronous Mode
1 – Enables continuous receive till enable bit CREN is cleared (Note : CREN overrides SREN)
0 – Disables continuous receive
ADDEN : Address Detect Enable
Asynchronous 9-bit Mode
1 – Enables address detection
0 – Disables address detection
FERR : Framing Error
1 – Framing error
0 – No framing error
OERR : Overrun Error
1 – Overrun error
0 – No overrun error
RX9D : 9th bit or Parity Bit of Received Data
Now I am not writing about configuring these registers as MikroC Pro for PIC Microcontroller has built in function to handle Asynchronous Communication.
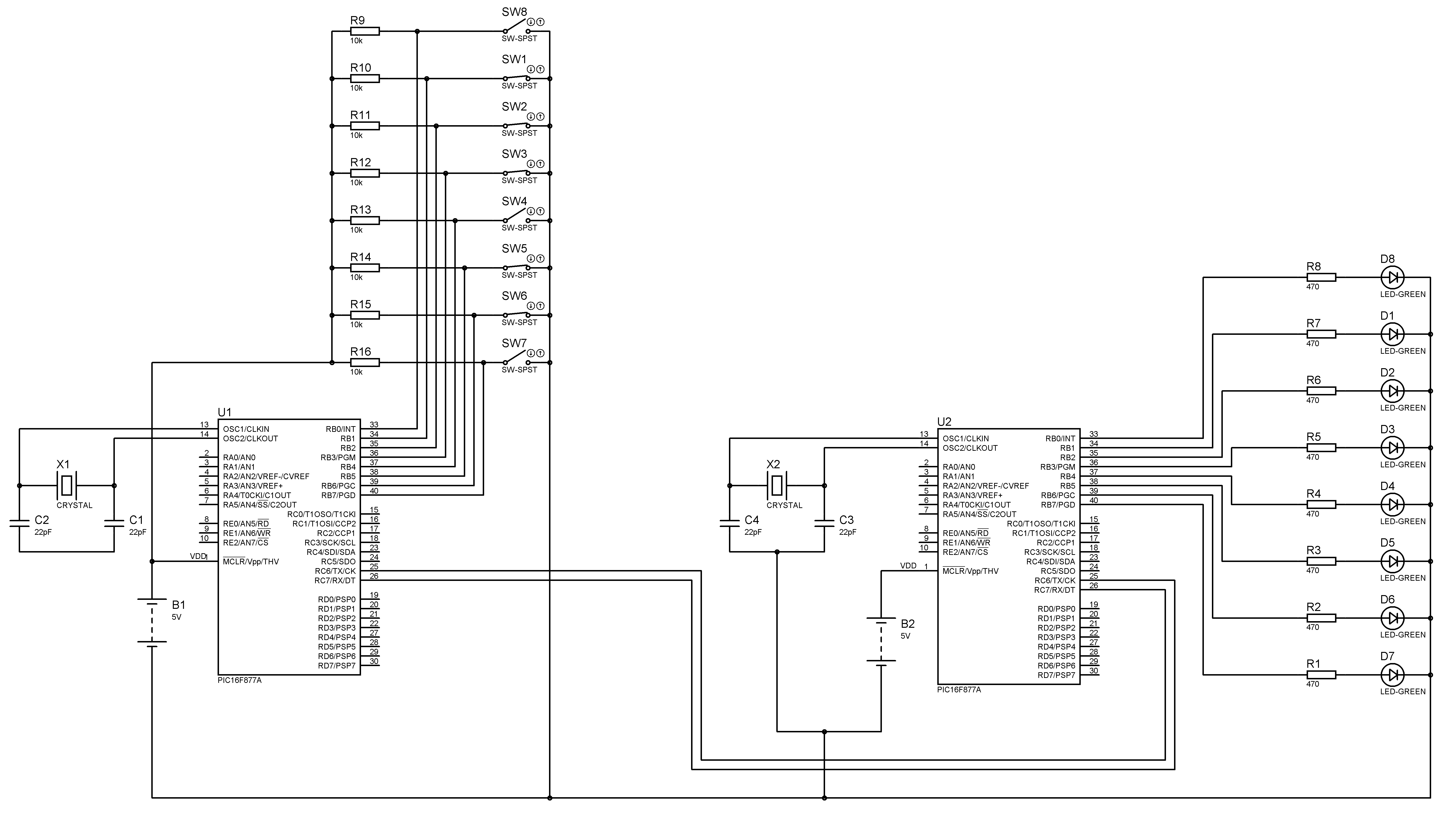
Circuit Diagram
The above circuit can demonstrate the PIC to PIC Communication using USART. Here we are using Asynchronous communication. The switch status read by the first PIC is transmitted to the second PIC and displayed using LED’s.
MikroC Code
Transmitter
Code: Select all
void main()
{
TRISB = 0xFF;
PORTB = 0;
UART1_Init(9600); // Initialize UART module at 9600bps
Delay_ms(100); // Wait for UART module to stabilize
while (1)
{ // Endless loop
UART1_Write(PORTB); // and send data via UART
Delay_ms(500);
}
}
Receiver
Code: Select all
void main()
{
TRISB = 0;
PORTB = 0;
UART1_Init(9600); // Initialize UART module at 9600bps
Delay_ms(100); // Wait for UART module to stabilize
while (1)
{ // Endless loop
if (UART1_Data_Ready())
{ // If data is received,
PORTB = UART1_Read(); // read the received data,
}
}
}
Article courtesy of electrosome.com

