PIC16F84 belongs to a class of 8-bit microcontrollers of RISC architecture. Its general structure is shown on the following map representing basic blocks. Program memory (FLASH)- for storing a written program. Since memory made in FLASH technology can be programmed and cleared more than once, it makes this microcontroller suitable for device development. EEPROM - data memory that needs to be saved when there is no supply. It is usually used for storing important data that must not be lost if power supply suddenly stops. For instance, one such data is an assigned temperature in temperature regulators. If during a loss of power supply this data was lost, we would have to make the adjustment once again upon return of supply.
Thus our device looses on self-reliance. RAM - data memory used by a program during its execution. In RAM are stored all inter-results or temporary data during run-time. PORTA and PORTB are physical connections between the microcontroller and the outside world. Port A has five, and port B has eight pins. FREE-RUN TIMER is an 8-bit register inside a microcontroller that works independently of the program. On every fourth clock of the oscillator it increments its value until it reaches the maximum (255), and then it starts counting over again from zero. As we know the exact timing between each two increments of the timer contents, timer can be used for measuring time which is very useful with some devices. CENTRAL PROCESSING UNIT has a role of connective element between other blocks in the microcontroller. It coordinates the work of other blocks and executes the user program.
Applications
PIC16F84 perfectly fits many uses, from automotive industries and controlling home appliances to industrial instruments, remote sensors, electrical door locks and safety devices. It is also ideal for smart cards as well as for battery supplied devices because of its low consumption.
EEPROM memory makes it easier to apply microcontrollers to devices where permanent storage of various parameters is needed (codes for transmitters, motor speed, receiver frequencies, etc.). Low cost, low consumption, easy handling and flexibility make PIC16F84 applicable even in areas where microcontrollers had not previously been considered (example: timer functions, interface replacement in larger systems, coprocessor applications, etc.).
In System Programmability of this chip (along with using only two pins in data transfer) makes possible the flexibility of a product, after assembling and testing have been completed. This capability can be used to create assembly-line production, to store calibration data available only after final testing, or it can be used to improve programs on finished products.
Pin description
PIC16F84 has a total of 18 pins. It is most frequently found in a DIP18 type of case but can also be found in SMD case which is smaller from a DIP. DIP is an abbreviation for Dual In Package. SMD is an abbreviation for Surface Mount Devices suggesting that holes for pins to go through when mounting, aren't necessary in soldering this type of a component.
| Pin 1 | RA2 | Second pin on port A. Has no additional function |
| Pin 2 | RA3 | Third pin on port A. Has no additional function |
| Pin 3 | RA4 | Fourth pin on port A. TOCK1 which functions as a timer is also found on this pin |
| Pin 4 | MCLR | Reset input and Vpp programming voltage of a microcontroller |
| Pin 5 | Vss | Ground of power supply |
| Pin 6 | RB0 | Zero pin on port B. Interrupt input is an additional function |
| Pin 7 | RB1 | First pin on port B. No additional function |
| Pin 8 | RB2 | Second pin on port B. No additional function |
| Pin 9 | RB3 | Third pin on port B. No additional function |
| Pin 10 | RB4 | Fourth pin on port B. No additional function |
| Pin 11 | RB5 | Fifth pin on port B. No additional function |
| Pin 12 | RB6 | Sixth pin on port B. 'Clock' line in program mode |
| Pin 13 | RB7 | Seventh pin on port B. 'Data' line in program mode |
| Pin 14 | Vdd | Positive power supply pole |
| Pin 15 | OSC2 | Pin assigned for connecting with an oscillator |
| Pin 16 | OSC1 | Pin assigned for connecting with an oscillator |
| Pin 17 | RA2 | Second pin on port A. No additional function |
| Pin 18 | RA1 | First pin on port A. No additional function |
PIC16F84 can work with four different configurations of an oscillator. Since configurations with crystal oscillator and resistor-capacitor (RC) are the ones that are used most frequently, these are the only ones we will mention here. Microcontroller type with a crystal oscillator has in its designation XT, and a microcontroller with resistor-capacitor pair has a designation RC. This is important because you need to mention the type of oscillator when buying a microcontroller.
- XT Oscillator
Crystal oscillator is kept in metal housing with two pins where you have written down the frequency at which crystal oscillates. One ceramic capacitor of 30pF whose other end is connected to the ground needs to be connected with each pin.
Oscillator and capacitors can be packed in joint case with three pins. Such element is called ceramic resonator and is represented in charts like the one below. Center pins of the element is the ground, while end pins are connected with OSC1 and OSC2 pins on the microcontroller. When designing a device, the rule is to place an oscillator nearer a microcontroller, so as to avoid any interference on lines on which microcontroller is receiving a clock.
- RC Oscillator
In applications where great time precision is not necessary, RC oscillator offers additional savings during purchase. Resonant frequency of RC oscillator depends on supply voltage rate, resistance R, capacity C and working temperature. It should be mentioned here that resonant frequency is also influenced by normal variations in process parameters, by tolerance of external R and C components, etc.
Above diagram shows how RC oscillator is connected with PIC16F84. With value of resistor R being below 2.2k, oscillator can become unstable, or it can even stop the oscillation. With very high value of R (ex.1M) oscillator becomes very sensitive to noise and humidity. It is recommended that value of resistor R should be between 3 and 100k. Even though oscillator will work without an external capacitor (C=0pF), capacitor above 20pF should still be used for noise and stability. No matter which oscillator is being used, in order to get a clock that microcontroller works upon, a clock of the oscillator must be divided by 4. Oscillator clock divided by 4 can also be obtained on OSC2/CLKOUT pin, and can be used for testing or synchronizing other logical circuits.
Reset is used for putting the microcontroller into a 'known' condition. That practically means that microcontroller can behave rather inaccurately under certain undesirable conditions. In order to continue its proper functioning it has to be reset, meaning all registers would be placed in a starting position. Reset is not only used when microcontroller doesn't behave the way we want it to, but can also be used when trying out a device as an interrupt in program execution, or to get a microcontroller ready when loading a program.
In order to prevent from bringing a logical zero to MCLR pin accidentally (line above it means that reset is activated by a logical zero), MCLR has to be connected via resistor to the positive supply pole. Resistor should be between 5 and 10K. This kind of resistor whose function is to keep a certain line on a logical one as a preventive, is called a pull up.
Microcontroller PIC16F84 knows several sources of resets:
- Reset during power on, POR (Power-On Reset)
- Reset during regular work by bringing logical zero to MCLR microcontroller's pin.
- Reset during SLEEP regime
- Reset at watchdog timer (WDT) overflow
- Reset during at WDT overflow during SLEEP work regime.
During a reset, RAM memory locations are not being reset. They are unknown during a power up and are not changed at any reset. Unlike these, SFR registers are reset to a starting position initial state. One of the most important effects of a reset is setting a program counter (PC) to zero (0000h) , which enables the program to start executing from the first written instruction.
Central Processing Unit
Central processing unit (CPU) is the brain of a microcontroller. That part is responsible for finding and fetching the right instruction which needs to be executed, for decoding that instruction, and finally for its execution.
Central processing unit connects all parts of the microcontroller into one whole. Surely, its most important function is to decode program instructions. When programmer writes a program, instructions have a clear form like MOVLW 0x20. However, in order for a microcontroller to understand that, this 'letter' form of an instruction must be translated into a series of zeros and ones which is called an 'opcode'. This transition from a letter to binary form is done by translators such as assembler translator (also known as an assembler). Instruction thus fetched from program memory must be decoded by a central processing unit. We can then select from the table of all the instructions a set of actions which execute a assigned task defined by instruction. As instructions may within themselves contain assignments which require different transfers of data from one memory into another, from memory onto ports, or some other calculations, CPU must be connected with all parts of the microcontroller. This is made possible through a data bus and an address bus.
Arithmetic logic unit is responsible for performing operations of adding, subtracting, moving (left or right within a register) and logic operations. Moving data inside a register is also known as 'shifting'. PIC16F84 contains an 8-bit arithmetic logic unit and 8-bit work registers.
In instructions with two operands, ordinarily one operand is in work register (W register), and the other is one of the registers or a constant. By operand we mean the contents on which some operation is being done, and a register is any one of the GPR or SFR registers. GPR is an abbreviation for 'General Purposes Registers', and SFR for 'Special Function Registers'. In instructions with one operand, an operand is either W register or one of the registers. As an addition in doing operations in arithmetic and logic, ALU controls status bits (bits found in STATUS register). Execution of some instructions affects status bits, which depends on the result itself. Depending on which instruction is being executed, ALU can affect values of Carry (C), Digit Carry (DC), and Zero (Z) bits in STATUS register.
STATUS Register
bit 7 IRP (Register Bank Select bit)
Bit whose role is to be an eighth bit for purposes of indirect addressing the internal RAM.
1 = bank 2 and 3
0 = bank 0 and 1 (from 00h to FFh)
bits 6:5 RP1:RP0 (Register Bank Select bits)
These two bits are upper part of the address for direct addressing. As instructions which address the memory directly have only seven bits, they need one more bit in order to address all 256 bytes which is how many bytes PIC16F84 has. RP1 bit is not used, but is left for some future expansions of this microcontroller.
01 = first bank
00 = zero bank
bit 4 TO Time-out ; Watchdog overflow.
Bit is set after turning on the supply and execution of CLRWDT and SLEEP instructions. Bit is reset when watchdog gets to the end signaling that overflow took place.
1 = overflow did not occur
0 = overflow did occur
bit 3 PD (Power-down bit)
This bit is set whenever power supply is brought to a microcontroller : as it starts running, after each regular reset and after execution of instruction CLRWDT. Instruction SLEEP resets it when microcontroller falls into low consumption mode. Its repeated setting is possible via reset or by turning the supply off/on . Setting can be triggered also by a signal on RB0/INT pin, change on RB port, upon writing to internal DATA EEPROM, and by a Watchdog.
1 = after supply has been turned on
0 = executing SLEEP instruction
bit 2 Z (Zero bit) Indication of a zero result
This bit is set when the result of an executed arithmetic or logic operation is zero.
1 = result equals zero
0 = result does not equal zero
bit 1 DC (Digit Carry) DC Transfer
Bit affected by operations of addition, subtraction. Unlike C bit, this bit represents transfer from the fourth resulting place. It is set in case of subtracting smaller from greater number and is reset in the other case.
1 = transfer occurred on the fourth bit according to the order of the result
0 = transfer did not occur
DC bit is affected by ADDWF, ADDLW, SUBLW, SUBWF instructions.
bit 0 C (Carry) Transfer
Bit that is affected by operations of addition, subtraction and shifting.
1 = transfer occurred from the highest resulting bit
0 = transfer did not occur
C bit is affected by ADDWF, ADDLW, SUBLW, SUBWF instructions.
Ports
All port pins can be designated as input or output, according to the needs of a device that's being developed. In order to define a pin as input or output pin, the right combination of zeros and ones must be written in TRIS register. If the appropriate bit of TRIS register contains logical "1", then that pin is an input pin, and if the opposite is true, it's an output pin. Every port has its proper TRIS register. Thus, port A has TRISA, and port B has TRISB. Pin direction can be changed during the course of work which is particularly fitting for one-line communication where data flow constantly changes direction. PORTA and PORTB state registers are located in bank 0, while TRISA and TRISB pin direction registers are located in bank 1.
- PORTB and TRISB
PORTB has adjoined 8 pins. The appropriate register for data direction is TRISB. Setting a bit in TRISB register defines the corresponding port pin as input, and resetting a bit in TRISB register defines the corresponding port pin as output.
Each PORTB pin has a weak internal pull-up resistor (resistor which defines a line to logic one) which can be activated by resetting the seventh bit RBPU in OPTION register. These 'pull-up' resistors are automatically being turned off when port pin is configured as an output. When a microcontroller is started, pull-ups are disabled.
Four pins PORTB, RB7:RB4 can cause an interrupt which occurs when their status changes from logical one into logical zero and opposite. Only pins configured as input can cause this interrupt to occur (if any RB7:RB4 pin is configured as an output, an interrupt won't be generated at the change of status.) This interrupt option along with internal pull-up resistors makes it easier to solve common problems we find in practice like for instance that of matrix keyboard. If rows on the keyboard are connected to these pins, each push on a key will then cause an interrupt. A microcontroller will determine which key is at hand while processing an interrupt It is not recommended to refer to port B at the same time that interrupt is being processed.The above example shows how pins 0, 1, 2, and 3 are designated input, and pins 4, 5, 6, and 7 for output, after which PORTB output pins are set to one.Code: Select all
bsf STATUS, RP0 ;Bank1 movlw 0x0F ;Defining input and output pins movlw TRISB ;Writing to TRISB register bcf STATUS, RP0 ;Bank0 bsf PORTB, 4 ;PORTB <7:4>=0 bsf PORTB, 4 bsf PORTB, 5 bsf PORTB, 6 bsf PORTB, 7
- PORTA and TRISA
PORTA has 5 adjoining pins. The corresponding register for data direction is TRISA at address 85h. Like with port B, setting a bit in TRISA register defines also the corresponding port pin as input, and clearing a bit in TRISA register defines the corresponding port pin as output.
It is important to note that PORTA pin RA4 can be input only. On that pin is also situated an external input for timer TMR0. Whether RA4 will be a standard input or an input for a counter depends on T0CS bit (TMR0 Clock Source Select bit). This pin enables the timer TMR0 to increment either from internal oscillator or via external impulses on RA4/T0CKI pin.
NOTE: RA4 pin can be designated output, but in that case it has to be externally connected to PULL-UP resistor.
Configuring port A:Example shows how pins 0, 1, 2, 3, and 4 are designated input, and pins 5, 6, and 7 output. After this, it is possible to read the pins RA2, RA3, RA4, and to set logical zero or one to pins RA0 and RA1.Code: Select all
bsf STATUS, RP0 ;Bank1 movlw b'11111100' ;Defining input and output pins movwf TRISA ;Writing to TRISA register bcf STATUS, RP0 ;Bank0
RAM memory locations can be accessed directly or indirectly.
- Direct Addressing
Direct Addressing is done through a 9-bit address. This address is obtained by connecting 7th bit of direct address of an instruction with two bits (RP1, RP0) from STATUS register as is shown on the following picture. Any access to SFR registers is an example of direct addressing.
Code: Select all
Bsf STATUS, RP0 ;Bankl movlw 0xFF ;w=0xFF movwf TRISA ;address of TRISA register is taken from instruction movwf - Indirect Addressing
Indirect unlike direct addressing does not take an address from an instruction but derives it from IRP bit of STATUS and FSR registers. Addressed location is accessed via INDF register which in fact holds the address indicated by a FSR. In other words, any instruction which uses INDF as its register in reality accesses data indicated by a FSR register. Let's say, for instance, that one general purpose register (GPR) at address 0Fh contains a value of 20. By writing a value of 0Fh in FSR register we will get a register indicator at address 0Fh, and by reading from INDF register, we will get a value of 20, which means that we have read from the first register its value without accessing it directly (but via FSR and INDF). It appears that this type of addressing does not have any advantages over direct addressing, but certain needs do exist during programming which can be solved smoothly only through indirect addressing.
Indirect addressing is very convenient for manipulating data arrays located in GPR registers. In this case, it is necessary to initialize FSR register with a starting address of the array, and the rest of the data can be accessed by incrementing the FSR register.
Such examples include sending a set of data via serial communication, working with buffers and indicators (which will be discussed further in a chapter with examples), or erasing a part of RAM memory (16 locations) as in the following instance.
Reading data from INDF register when the contents of FSR register is equal to zero returns the value of zero, and writing to it results in NOP operation (no operation).
Reading from EEPROM Memory
Setting the RD bit initializes transfer of data from address found in EEADR register to EEDATA register. As in reading data we don't need so much time as in writing, data taken over from EEDATA register can already be used further in the next instruction.
Sample of the part of a program which reads data in EEPROM, could look something like the following:
After the last program instruction, contents from an EEPROM address zero can be found in working register w.
In order to write data to EEPROM location, programmer must first write address to EEADR register and data to EEDATA register. Only then is it useful to set WR bit which sets the whole action in motion. WR bit will be reset, and EEIF bit set following a writing what may be used in processing interrupts. Values 55h and AAh are the first and the second key whose disallow for accidental writing to EEPROM to occur. These two values are written to EECON2 which serves only that purpose, to receive these two values and thus prevent any accidental writing to EEPROM memory. Program lines marked as 1, 2, 3, and 4 must be executed in that order in even time intervals. Therefore, it is very important to turn off interrupts which could change the timing needed for executing instructions. After writing, interrupts can be enabled again .
Example of the part of a program which writes data 0xEE to first location in EEPROM memory could look something like the following:
NOTE: It is recommended that WREN be turned off the whole time except when writing data to EEPROM, so that possibility of accidental writing would be minimal. All writing to EEPROM will automatically clear a location prior to writing a new.
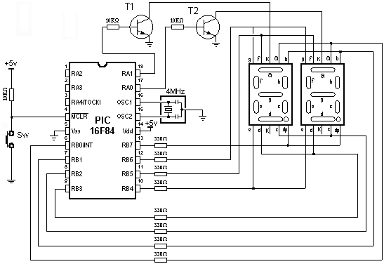
Seven-Segment Display Example
The segments in a 7-segment display are arranged to form a single digit from 0 to F. We can display a multi-digit number by connecting additional displays. Even though LCD displays are more comfortable to work with, 7-segment displays are still standard in the industry. This is due to their temperature robustness, visibility and wide viewing angle. Segments are marked with non-capital letters: a, b, c, d, e, f, g and dp, where dp is the decimal point. The 8 LEDs inside each display can be arranged with a common cathode or common anode. With a common cathode display, the common cathode must be connected to the 0V rail and the LEDs are turned on with a logic one. Common anode displays must have the common anode connected to the +5V rail. The segments are turned on with a logic zero. The size of a display is measured in millimeters, the height of the digit itself (not the housing, but the digit!). Displays are available with a digit height of 7,10, 13.5, 20, or 25 millimeters. They come in different colors, including: red, orange, and green.
The simplest way to drive a display is via a display driver. These are available for up to 4 displays. Alternatively displays can be driven by a microcontroller and if more than one display is required, the method of driving them is called "multiplexing."
The main difference between the two methods is the number of "drive lines." A special driver may need only a single "clock" line and the driver chip will access all the segments and increment the display. If a single display is to be driven from a microcontroller, 7 lines will be needed plus one for the decimal point. For each additional display, only one extra line is needed. To produce a 4, 5 or 6 digit display, all the 7-segment displays are connected in parallel. The common line (the common-cathode line) is taken out separately and this line is taken low for a short period of time to turn on the display. Each display is turned on at a rate above 100 times per second, and it will appear that all the displays are turned on at the same time. As each display is turned on, the appropriate information must be delivered to it so that it will give the correct reading. Up to 6 displays can be accessed like this without the brightness of each display being affected. Each display is turned on very hard for one-sixth the time and the POV (persistence of vision) of our eye thinks the display is turned on the whole time. Therefore, the program has to ensure the proper timing, else the unpleasant blinking of display will occur.
Program "7seg.asm" displays decimal value of a number stored in variable D.
Example:
Code: Select all
movlw .21
movlw D ; number 21 will be printed on 7seg display
For extracting the ones digit and the tens digit, macro digbyte is used. It stores the hundreds digit, the tens digit, and the ones digit into variables Dig1, Dig2, and Dig3. In our case, upon macro execution, Dig1 will equal 0, Dig2 will equal 2, and Dig3 will equal 1.
The following example shows the use of the macro in a program. Program prints a specified 2-digit number on a 7seg display in multiplex mode.

