How to connect CD-ROM motor to PIC microcontroller?

Microcontroller Topics
NTSH1996
Sergeant
Sergeant
Posts: 19
Joined: Sat Jan 02, 2010 12:57 am

How to connect CD-ROM motor to PIC microcontroller?

Post by NTSH1996 » Sun Jan 24, 2010 2:51 pm

hi,
Can I drive cd-rom motor using pic ? what do u think ?
User avatar
Neo
Site Admin
Site Admin
Posts: 2642
Joined: Wed Jul 15, 2009 2:07 am
Location: Colombo

Re: BLDC

Post by Neo » Sun Jan 24, 2010 10:17 pm

CD ROM has 3-wire stepper motor if I'm right? See these stepper motor tutorials.

Connecting Stepper Motors to Microcontrollers Tutorial
Connecting DC Motor to Microcontroller Tutorial
User avatar
Neo
Site Admin
Site Admin
Posts: 2642
Joined: Wed Jul 15, 2009 2:07 am
Location: Colombo

Re: How to connect CD-ROM motor to PIC microcontroller?

Post by Neo » Sun Jan 24, 2010 10:34 pm

Have a look at this one. It has lots of information about what you need to do.
User avatar
Magneto
Major
Major
Posts: 430
Joined: Wed Jul 15, 2009 1:52 pm
Location: London

Re: How to connect CD-ROM motor to PIC microcontroller?

Post by Magneto » Mon Jan 25, 2010 12:13 pm

Dear Friend ,

In my experience , CD ROM motors are servo motors , which have very high presion feed back control system.
So it is good , first to veryfy the motor is a Servo motor with a servo controller or a stepper motor

Magneto
User avatar
Magneto
Major
Major
Posts: 430
Joined: Wed Jul 15, 2009 1:52 pm
Location: London

Re: How to connect CD-ROM motor to PIC microcontroller?

Post by Magneto » Mon Jan 25, 2010 12:20 pm

Hi Friend ,
It seems most of the CD ROMS contain Brush Less DC Motors , you can easily drive this type of motors with a microcontroller. And if you want to control the speed of the motor , you can use pWM module in the the microcontroller.

When you changing the Duty of the applied voltage pulse , you can change the speed

Good Luck,
NTSH1996
Sergeant
Sergeant
Posts: 19
Joined: Sat Jan 02, 2010 12:57 am

Re: How to connect CD-ROM motor to PIC microcontroller?

Post by NTSH1996 » Wed Jun 15, 2011 12:31 am

[media]http://www.youtube.com/watch?v=ww4FIiEWMHU[/media]

Here is my design. Its working.Finally I made it.Thnks guys.
User avatar
Neo
Site Admin
Site Admin
Posts: 2642
Joined: Wed Jul 15, 2009 2:07 am
Location: Colombo

Re: How to connect CD-ROM motor to PIC microcontroller?

Post by Neo » Wed Jun 15, 2011 6:49 am

Very nice job. Congratulations !!!

If you could write a short article about this fantastic piece of job on a separate topic, I'm sure it would be really helpful for all our colleagues here.
NTSH1996
Sergeant
Sergeant
Posts: 19
Joined: Sat Jan 02, 2010 12:57 am

Re: How to connect CD-ROM motor to PIC microcontroller?

Post by NTSH1996 » Fri Jun 17, 2011 8:04 pm

thnx. Sure ! I ll as soon as time permits.
DeepakPatil23
Sergeant
Sergeant
Posts: 20
Joined: Mon May 23, 2011 7:16 pm

Re: How to connect CD-ROM motor to PIC microcontroller?

Post by DeepakPatil23 » Wed Jun 29, 2011 7:34 pm

Hi,

I have Creative CDROM 32x, how i can Identify that motor is a stepper motor or servo motor? :?:

:geek:
User avatar
Neo
Site Admin
Site Admin
Posts: 2642
Joined: Wed Jul 15, 2009 2:07 am
Location: Colombo

Re: How to connect CD-ROM motor to PIC microcontroller?

Post by Neo » Thu Jun 30, 2011 4:53 am

You will have to first disassemble it and get the motor(s) out carefully.

According to my knowledge, a CDROM has both stepper and servo motor. Stepper is used for the tray in/out and the servo (BLDC servo) is used to spin the disk.

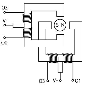
A Unipolar Stepper motor has 5 or 6 wires. A brushless DC (BLDC) motor (servo type) has a minimum of 3 wires (Power supply and PWM speed control). Additional wires are for sensors such as hall effect sensors which are built-in to the motor.

A Unipolar stepper motor.
usm.jpg
usm.jpg (101.02 KiB) Viewed 25510 times
Wiring diagram of a unipolar stepper motor.
smc.png
smc.png (9.82 KiB) Viewed 25510 times
Brushless DC motor (Notice the sensors)
bldc.JPG
bldc.JPG (68.03 KiB) Viewed 25510 times
To drive a unipolar stepper motor, you can use a driver IC like L293D. If you are going to use the Servo one, then you can directly drive with a PWM pin on the micro. For both cases, you will have to carefully distinguish the wires.

If you can take clear photographs of the motors, then we might be able to tell you what is it. NTSH has already experimented with this so he will help you as well.
Post Reply

Return to “Microcontrollers”