TSOP17XX is a commonly used IR receiver for Infrared PCM remote control systems. It is used in TVs, DVD Players, Burglar Alarms etc. This component is built with PIN Diode, Preamplifier and internal filter for PCM (Pulse Code Modulation) frequency and its epoxy package is designed as an IR filter. These are available with different carrier frequencies out of which TSOP1738 is very common whose carrier frequency is 38KHz. The output of TSOP17XX receivers can be directly connected to a microcontroller or microprocessor for further processing.
Features
•Photo Detector, IR Filter, Preamplifier and PCM frequency filter in one package
•Shielding against EMI or RFI interference
•CMOS and TTL Compatible
•Active Low Output
•Immunity against ambient light
•Low Power Consumption
•Able to transfer data continuously up to 2400bps
•Supply Voltage : 4.5 – 5.5V
Block Diagram
TSOP17XX are provided with Band Pass Filter, Automatic Gain Control (AGC) and Integrator to avoid changes in output due to noises or other disturbances. Noises and Data signal are distinguished by using carrier frequency, burst length and duty cycle. Data Signals should satisfy following conditions.
•Carrier frequency of the received signal should be close the center frequency of the band pass filter of the device. For eg : Carrier frequency should be close to 38KHz for TSOP1738.
•Burst Length should be longer than or equal to 10 cycles/burst and lesser than or equal to 70 cycles/burst.
•A gap time of at least 14 cycles is necessary after each burst.
•A gap of at least same length as burst is necessary at some point in the data stream for bursts longer than 1.8ms.
•It can receive up to 1400 short bursts continuously.
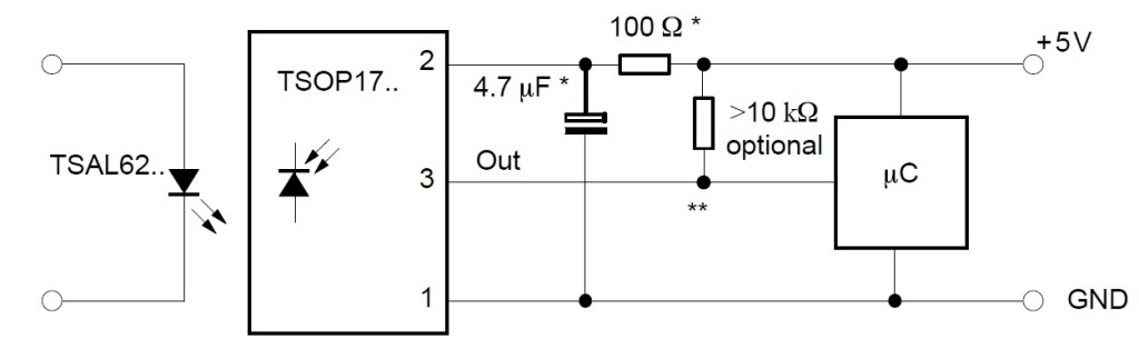
Application Circuit
•* – Used to reduce power supply disturbances.
•** – Output pin of TSOP17XX should not be held at a voltage below 3.3v continuously by external circuits.
Article courtesy of electrosome.com
- Board index
- Search
-
- It is currently Sun Feb 08, 2026 12:26 pm
- All times are UTC+05:30
How to use TSOP1738 IR Remote Control System
Electronics & Electrical Engineering Topics
Return to “Electronics & Electrical Engineering”
Jump to
- Programmable Electronics
- ↳ Arduino
- ↳ Raspberry Pi
- ↳ Microcontrollers
- ↳ FPGA
- ↳ Digital Signal Processors
- ↳ Other
- Programming
- ↳ Web programming
- ↳ PHP & MySQL
- ↳ ASP & ASP.Net
- ↳ .Net & Other Programming
- ↳ .NET Programming
- ↳ Visual Basic Programming
- ↳ Java Programming
- ↳ C/C++ Programming
- Engineering
- ↳ Electronics & Electrical Engineering
- ↳ Embedded Systems
- ↳ Computer Science
- ↳ Software Engineering
- ↳ Data Structures & Algorithms
- ↳ Programming Languages & Compiler Theory
- ↳ Operating Systems
- ↳ Cryptography
- ↳ Computer Networks
- ↳ SQL & Database
- ↳ Computer Architecture
- ↳ Graphics & Vision
- ↳ Artificial Intelligence
- ↳ Neural Networks
- ↳ Multimedia
- ↳ Mathematics
- ↳ Other
- ↳ Control Systems & Robotics
- ↳ Mechanical
- ↳ Thermodynamics
- ↳ Fluid Dynamics
- ↳ Aerodynamics
- ↳ Manufacturing
- ↳ Energy
- ↳ Dynamics
- ↳ Statics
- ↳ Automobile
- ↳ Other
- ↳ Other
- Operating Systems
- ↳ Windows
- ↳ Linux
- ↳ Mac OS
- ↳ Android
- ????? ????
- ↳ ???????? ?????
- ↳ ??????? ???? ?????
- ↳ ????? ?????? ???? (Buy Guide)
- ↳ ??????? ???? ??????? (Where to buy)
- ↳ ????????? ???????? (Recommend - Complain - Review)
- General
- ↳ News & Announcements
- ↳ General Discussions
- ↳ Viruses, Trojans, Spyware and Adware
- ↳ Computer & Network Security
- ↳ Web Related
- Members Zone
- ↳ Project Assistance
- ↳ Advertising
- ↳ Jobs & Investment Opportunities
- ↳ Introductions
- ↳ Presents & Donations
- ↳ Entertainment
- ↳ Music & Albums
- ↳ Movies
- ↳ Games

