This is a simple trick about simple logic circuit designing.I think,This is important for O/L IT and A/L Physics.
I use my poor English.Sorry for it.Never misunderstand.
I explain it using some examples.
Example 1:
Create a simple logic circuit for detect prime numbers from 0 to 7.
1.simple it,write a truth table...
convert 0 - 7 to binary.
0=000
1=001
2=010
3=011
..
..
7=111
2.write output as "1" for prime numbers only.
Table- 3.This is the point...
Get lines which output is "1" and write expression like following.
At input number is 2(=010) output is "1". Now write expression like this. If input is "0",get as "Bar". In this line,A and C are "0",therefore,we get A bar and B bar.
ok..this is another line.
Get line which input is 5.
A=1 ... therefore, write expression A.Not A bar.
B=0 ... therefore,write B bar.
C=1 ... Write C
At finally,Expression should be, ok...End of trick.if you have a question,ask...
this is all expression corresponding to each line. 4.Now,input this all expression to OR gate.Get output(Q)... 5.Create circuit.
According above output expression we want,
A bar,B bar,C bar.therefore,We want to use NOT gate.
For get input for last OR gate,want to use three input AND gate.
Last we want a 4 input OR gate.
This is the circuit...
Example 2:
This is a question given G.C.E(A/L )-2004 Question number:-5.(iii)
Create a circuit for emergency lamp for automatically on at night power cutting.This light has a switch for light up the lamp at anytime.
Use following input.
A=1 : switch on
A=0 : switch off
B=1 : at night
B=0 : at day
C=1 : while power cutting
C=0 : while power ok
use output,
X=1 : emergency lamp on
X=0 : emergency lamp off
OK...Now answer....
1.write a truth table.
2.Get lines which output is "1" and write expression.(red on above table.)
line 3 :
A=0
B=1
C=0
Therefore,Expression should be, line 5 :
A=1
B=0
C=0
Therefore,Expression should be, line 6 :
A=1
B=0
C=a
Therefore,Expression should be, line 7 :
A=1
B=1
C=0
Therefore,Expression should be, line 8 :
A=1
B=1
C=1
Therefore,Expression should be,
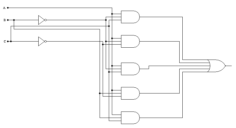
3.Write Output expression using OR operation. 4.Create circuit...
According to above output expression,
We want,
NOT Gate - 2 (for B bar and C bar,No A bar in expression)
3 input AND Gate - 5
5 input OR Gate - 1
OK
I think this may be useful to you.
If you have any problem,ask.
Sorry for my poor English again.



