I did a practical for residual current of a BJT as procedure of guide book.But,I some things are hard to understand.
We use a PNP Ge transistor.Because,A Si transiator has small residual current.therefore we cant measure it using normal multimeter or oscillescope.
First,We measure E-C current while base is open.as fallowing picture.We called it ICEO. We got 2.13mA for the result.
Second,We measure ICES
According to following diagram. We got 0.732mA for the result.
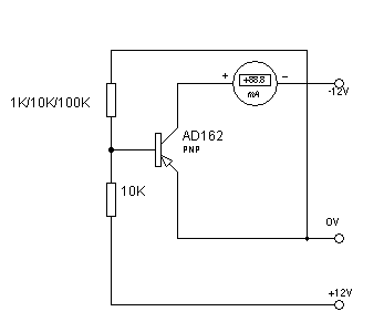
Third,We measure ICER We got fallowing result.
For 100k-->11.80 mA
For 10k-->11.86 mA
For 1k-->11.87 mA
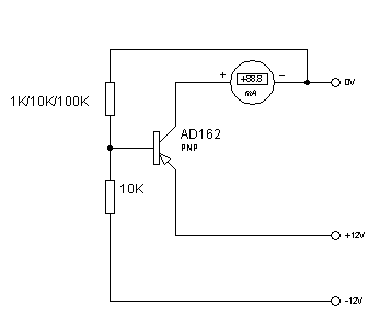
Fourth,We measure ICEV We got,
R(k)----ICER(mA)----VBE(V)
100----11.80----0.94
10----11.86----5.90
1----11.87----10.88
Now,
I can understand ICES and ICEO
But,
ICER in problem.
As I think,We are increasing base resistance,base current decrease.Therefore collector current increase. Unfortunately,It's not explain my assumption.
Another problem in ICEV
In this situation B-E junction become reverse bias.
I want some explanation for Third and Fourth situation.
Thanks



