While the basic algorithm has been unchanged for many years and is used in all distributed control systems, the actual digital implementation of the algorithm has changed and differs from one system to another and from commercial equipment to academia.
We will discuss controller tuning methods and criteria. Also discussed will be the digital PID control algorithm, how it works, the various implementation methods and options, and how these affect the operation and tuning of the controller.
1. The Process
1.1 The Feedback Control Loop
The system measures the process, compares it to a setpoint, and then manipulates the output in the direction which should move the process toward the setpoint.
1.2 Valve Linearity
Valves are usually non-linear. That is, the flow through the valve is not the same as the valve position. Several types of valves exist:
- Linear
Same gain regardless of valve position - Equal Percentage
Low gain when valve is nearly closed
High gain when valve is nearly open - Quick Opening
High gain when valve is nearly closed
Low gain when valve is nearly open
Valve Linearity: Installed characteristics
The flow vs. percent open curve changes due to the head loss in the piping
At low flow, the head loss through the pipes is less, leaving a larger differential pressure across the valve.
At high flow, the head loss through the pipe is more, leaving a smaller differential pressure across the valve.
The effect is to increase the non-linearity of most valves.
1.3 Fail Open Valves
Valves are usually either: Fail Closed, air to open or
Fail Open, air to close
- Regardless of the way the valve operates, the operator is interested in the knowing and adjusting the position of the valve, not the value of the signal. "Up is always open"
- All controllers have some means of indicating the controller output in terms of the valve position. When the operator increases the output as indicated on the controller, the valve opens.
The controller action takes the valve action into acount.
The flow loop is direct acting.
Most analog controllers work like this.
Signal Inversion The output signal is inverted. The controller action ignores the valve action.
The flow loop is reverse acting. Some distributed control systems work like this.
2 - The Control Loop
2.1 The Process Response to the Controller
Steady state relationships: changing load
When the load changes, either the process value changes or the valve position must be changed to compensate for the load change.
2.2 Process Dynamics: Simple lag 2.3 Process Dynamics: Dead time
Dead Time: A delay in the loop due to the time it takes material to flow from one point to another
Also called: Distance Velocity Lag
Transportation Lag
Most loop combine dead time and lag.
2.4 Measurement of dynamics
The dynamics differ from one loop to another.
However, they usually result in a response curve like this:
L is Lag—the largest lag in the process loop.
D is "Pseudo Deadtime"—the sum of the deadtime and all lags other than the largest lag.
2.5 Disturbances
Almost all processes contain disturbances.
Disturbances can enter anywhere in the process.
The effect of the disturbance can depend on where it enters the loop.
Most disturbances cannot be measured.
3 PID Algorithm
3.1 Controller Action
PROCESS ACTION
Defines the relationship between changes in the valve and changes in the measurement.
DIRECT Increase in valve position causes an increase in the measurement.
REVERSE Increase in valve position causes a decrease in the measurement.
CONTROLLER ACTION
Defines the relationship between changes in the measured variable and changes in the controller output.
DIRECT Increase in measured variable causes an increase in the output.
REVERSE Increase in measured variable causes a decrease in the output.
The controller action must be the opposite of the process action.
3.2 Auto/Manual
Manual Mode:
The operator adjust the output to operate the plant.
During startup, this mode is normally used.
Automatic Mode:
The control algorithm manipulates the output to hold the process measurements at their setpoints.
This should be the most common mode for normal operation.
3.3 Key concepts
The PID control algorithm does not "know" the correct output to bring the process to the setpoint.
- It merely continues to move the output in the direction which should move the process toward the setpoint.
- The algorithm must have feedback (process measurement) to perform.
- To be able to tune a PID loop, each of the terms of the PID equation must be understood.
- The tuning is based on the dynamics of the process response.
The PID control algorithm comprises three elements:
- Proportional - also known as Gain
- Integral - also known as Automatic Reset or simply Reset
- Derivative - also known as Rate or Pre-Act
- Proportional only
- Proportional and Integral (most common)
- Proportional, Integral, and Derivative
- Proportional and Derivative
3.4.1 Proportional
E = Measurement - Setpoint (direct action)
E = Setpoint - Measurement (reverse action)
Output = E * G + k
The output is equal to the error times the gain plus the manual reset.
If the manual reset stays constant, there is a fixed relationship between the setpoint, the measurement, and the output.
Proportional—units
The proportional or gain term may be calibrated in two ways:
Gain and Proportional Band
Gain = Output/Input
Increasing the gain will cause the output to move more.
Proportional band is the % change in the input which would result in a 100% change in the output.
Proportional Band = 100/Gain
We will use gain in this document.
Proportional—Output vs. Measurement
(Reverse acting)
Proportional only control produces an offset. Only the adjustment of the manual reset removes the offset.
Proportional—Offset
Offset can be reduced by increasing gain.
Proportional control with low gain
Proportional control with higher gain
Proportional—Reducing offset with manual reset
Offset can be eliminated by changing manual reset.
Proportional control different manual reset
3.5 Adding automatic reset
With proportional only control, the operator "resets" the controller (to remove offset) by adjusting the manual reset:
This manual reset may be replaced by automatic reset which continues to move the output whenever there is any error:
This is called Reset or Integral Action.
Note the use of the positive feedback loop to perform integration.
Reset or integral mode
Reset Contribution:
Out = g X Kr X integral of error
where g is gain, Kr is the reset setting in repeats per minute.
Units used to set integral or reset
Assume a controller with proportional and integral only.
Calculation of repeat time: (gain and reset terms used in controller)
With the error set to zero (measurement input = setpoint), make a change in the input and note the immediate change in output. The output will continue to change (it is integrating the error). Note the time it takes the output to, due to the integral action, repeat the initial change made by the gain action.
Some control vendors measure reset by repeat time in minutes. This is the time it takes the reset (or integral) element to repeat the action of the proportional element.
Others measure reset by repeats per minute.
- Repeats per minute is the inverse of minutes of repeat
3.4.2 Derivative
First used as a part of a temperature transmitter ("Speed-Act™" - Taylor Instrument Companies) to overcome lag in transmitter measurement.
Also known as Pre-Act and Rate.
Derivative Contribution:
Out = g x Kd x de/dt
where g is gain, Kd is the derivative setting in minutes.
Response of controller with proportional and derivative:
The amount of time that the derivative action advances the output is known as the "derivative time" measured in minutes.
All major vendors measure derivative (Derivative, Rate) the same.
Complete PID response
Non-Interactive (text book) form:
Out = G(e + R+ D )
Where
G = Gain
R = Reset (repeats per minute)
D = Derivative (minutes)
4 PID Concepts
4.1 Interactive or Non-interactive PID Algorithm
"Interactive" and "Non-interactive" refer to interaction between the reset and derivative terms. This is also known as "series" or "parallel" derivative.
Almost all analogue controllers are interactive.
Many digital controllers are non-interactive, some are interactive
The only difference is in the tuning of controllers with derivative.
Non-Interactive (Parallel): Out = G(e + R+ D )
Interactive (series): Out = (RD+1)G(e + R+D )
4.2 Converting between interactive and non-interactive
Applies only to 3-mode controllers
To convert from non-interactive to interactive:
Gn = Gi (1 + Ri Di)
Rn = Ri/(1 + Ri Di)
Dn = Di/(1 + Ri Di)
In other words, with a non-interactive controller the gain should be higher, the reset rate lower, and the derivative lower than on a commercial interactive controller.
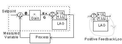
4.3 External feedback The integral function implemented using a positive feedback.
If the input to the positive feedback loop is taken from the signal to the process, it is called "external feedback" or "reset feedback". At steady state the controller output is the Gain multiplied by Error added to external feedback. If the error is zero, the output is equal to the external feedback.
4.4 Saturation Properties
Another difference is in the "Saturation Properties"
eg. what happens when output has been at the upper or lower limit.
Standard algorithm
Described above.
Output stays at limit until measurement crosses setpoint.
"Integrated velocity form"
Similar to equation:
Output = Last output + gain x (error - last error + reset x error)
Output pulls away from limit one reset time before measurement crosses setpoint.
- For most applications, there is no difference. For some batch startup problems, the "integrated velocity form" algorithm works best.
- Standard works best for high gain/low reset rate applications.
Gain on process rather than error
In applications with high gain, a step change can result in a sudden, large movement in the valve.
- Not as severe as the derivative effect, but still can upset the process
- Solution: let gain act only on process rather than error.
A step change in the setpoint results in a step change in the error.
- The derivative term acts on the rate of change of the error.
- The rate of change of a step change is very large.
- An operator step change of the setpoint would cause a very large change in the output, upsetting the process.
- Solution: let derivative act only on process rather than error.
Tuning Criteria (How do we know when its tuned)
Elementary methods
- The plant didn’t blow up.
- The process measurements stay close enough to the setpoint.
- They say it’s OK and you can go home now.
1 Optimum decay ratio (1/4 wave decay). 2 Minimum overshoot. 3 Maximum disturbance rejection. The choice of methods depends upon the loop’s place in the process and its relationship with other loops.
Mathematical criteria
Mathematical methods—minimization of index
IAE - Integral of absolute value of error
ISE - Integral of error squared
ITAE - Integral of time times absolute value of error
ITSE - Integral of time times error squared:
- These mathematical methods are used primarily for academic purposes, together with process simulations, in the study of control algorithms.
- Enter an initial set of tuning constants from experience. A conservative setting would be a gain of 1 or less and a reset of less than 0.1.
- Put loop in automatic with process "lined out".
- Make step changes (about 5%) in setpoint.
- Compare response with diagrams and adjust.
Also known as the "reaction curve" method
The process must be "lined out"—not changing.
With the controller in manual, the output is changed by a small amount.
The process is monitored.
The following measurements are made from the reaction curve:
X % Change of output
R %/min. Rate of change at the point of inflection (POI)
D min. Time until the intercept of tangent line and original process value
The gain, reset, and Derivative are calculated using:
| Gain | Reset | Derivative | |
| P | X/DR | - | - |
| PI | 0.9X/DR | 0.3/D | - |
| PID | 1.2X/DR | 0.5/D | 0.5D |
Another means of determining parameters based on the ZN open loop.
After "bumping" the output, watch for the point of inflection and note:
Ti min Time from output change to POI
P % Process value change at POI
R %/min Rate of change at POI (Same as above method)
X % Change in output. (Same as above method)
D is calculated using the equation:
D=Ti - P/R
D & X are then used in the equations on the previous page.
Ziegler Nichols tuning method: open loop process gain
Mathematically derived from the reaction rate method.
Used only on processes that will stabilize after output step change.
The process must be "lined out"—not changing.
With the controller in manual, the output is changed by a small amount.
The process is monitored.
| Gain | Reset | Derivative[/td] | |
| P | L/GpD | - | -[/td] |
| PI | 0.9 L/GpD | 0.3/D | -[/td] |
| PID | 1.2 L/GpD | 0.5/D | 0.5D[/td] |
Steps
Place controller into automatic with low gain, no reset or derivative.
Gradually increase gain, making small changes in the setpoint, until oscillations start.
Adjust gain to make the oscillations continue with a constant amplitude.
Note the gain (Ultimate Gain, Gu,) and Period (Ultimate Period, Pu.)
The Ultimate Gain, Gu, is the gain at which the oscillations continue with a constant amplitude.
The gain, reset, and Derivative are calculated using:
| Gain | Reset | Derivative | |
| P | 0.5 GU | — | — |
| PI | 0.45 GU | 1.2/Pu | — |
| PID | 0.6 GU | 2/Pu | Pu/8 |
The "controllability" of a process is depends upon the gain which can be used.
The higher the gain:
- the greater rejection of disturbance and
- the greater the response to setpoint changes.
The subordinate lag D is based on the deadtime and all other lags.
The maximum gain which can be used depends upon the ratio .
From this we can draw two conclusions:
- Decreasing the dead time increases the maximum gain and the controllability.
- Increasing the ratio of the longest to the second longest lag also increases the controllability.
Flow loops are too fast to use the standard methods of analysis and tuning.
Analogue vs. Digital control:
- Some flow loops using analogue controllers are tuned with high gain.
- This will not work with digital control.
With a digital controller, the scan rate of the controller can be considered dead time.
Although this dead time is small, it is large enough when compared to L to force a low gain.
Typical digital flow loop tuning: Gain= 0.5 to 0.7
Reset=15 to 20 repeats/min..
no derivative.

