Easiest way to Interface a graphic display Nokia 3310

Embedded Systems Topics
Post Reply
RAT16F88
Lieutenant
Lieutenant
Posts: 72
Joined: Sat Nov 20, 2010 12:36 pm
Location: Inside a PIC

Easiest way to Interface a graphic display Nokia 3310

Post by RAT16F88 » Sat Mar 05, 2011 9:09 am

I wondered for some time which LCD would come handy,easy ,affordable & available :)

So finally I figured it out that Nokia 3310 LCDis a good solution :)

Image
LCd_3310.rar
Here are my project files
(98.15 KiB) Downloaded 725 times
User avatar
Saman
Lieutenant Colonel
Lieutenant Colonel
Posts: 828
Joined: Fri Jul 31, 2009 10:32 pm
Location: Mount Lavinia

Re: Easiest way to Interface a graphic display Nokia 3310

Post by Saman » Sun Mar 06, 2011 12:06 am

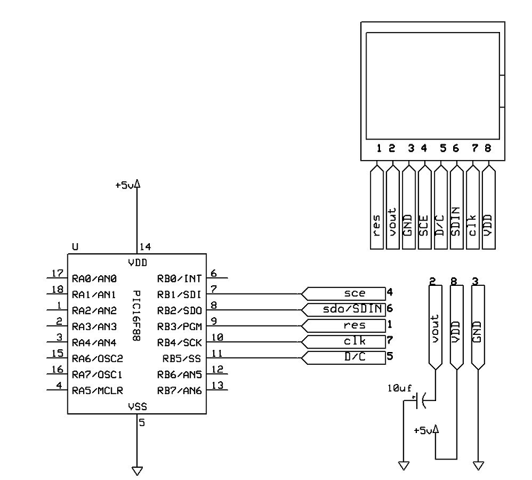
Very good one. Zoomed out image of the same is attached here.
cs.PNG
cs.PNG (70.21 KiB) Viewed 7073 times
Datasheet is here.
pcd8544.pdf
(154.66 KiB) Downloaded 843 times
RAT16F88
Lieutenant
Lieutenant
Posts: 72
Joined: Sat Nov 20, 2010 12:36 pm
Location: Inside a PIC

Re: Easiest way to Interface a graphic display Nokia 3310

Post by RAT16F88 » Mon Mar 07, 2011 11:27 am

Thanks saman

[ Post made via Mobile Device ] Image
Post Reply

Return to “Embedded Systems”