Recently I wanted to use a TV IR remote controller with a MCU. I read more & more on the topic. But there was no a way to find the REAL data of my IR remote controller. But I was lucky, PICkit2 saved me. I'm going to describe, how I analyzed the data of my TV IR remote controller.
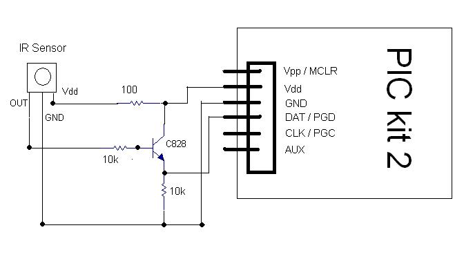
Firstly I connected an IR sensor to PICkit2 using following circuit. The transistor is not essential, but it gave me clear wave forms.
Then I connected the PICkit2 to computer.
Note: If you are using a PICkit2 clone which has a ZIF socket, be sure to keep the ZIF socket free. Don't put any MCU in it. And opend PICkit2, then Tools > Logic tool...
Then configured it as shown below.
Then clicked Run. Now I got following message.
Then I pressed a button of my TV IR remote controller.
Yes, it was successful. It gave me a good result.
Below is some results I got for my Remote controller (Sony RM-873).
Also you can read more about PICkit2 Logic tool from Help > Logic tool user guide.
I'll tell you, "how I used those results for my project" in my next post.
How to decode IR remote control signals with your PICkit 2
Re: How to decode IR remote control signals with your PICkit 2
Nice Work Rksk ...

Waiting for next post
Waiting for next post
Re: How to decode IR remote control signals with your PICkit 2
Very well done Rksk!!! Brilliant!!! 
Re: How to decode IR remote control signals with your PICkit 2
Good Work Bro!!
Keep it up





